AD82585-2X20W Stereo Digital Audio Amplifier with DRC DataSheet
Description AD82585 is a digital audio amplifier capable of driving a pair of 8Ω, 20W speaker which operate with play music at a 24V supply without external heat-sink or fan requirement. Using I2C digital control interface, the user can control AD82585’s input format selection, mute and volume control functions. AD82585 has many built-in protection circuits to safeguard AD82585 from connection errors.
Features 16/18/20/24-bit input with I2S, Left-alignment and Right-alignment data format PSNR & DR(A-weighting) Loudspeaker: 94dB (PSNR), 106dB (DR) @24V Multiple sampling frequencies (Fs) 32kHz / 44.1kHz / 48kHz and 64kHz / 88.2kHz / 96kHz and 128kHz/176.4kHz/192kHz System clock = 64x, 128x, 256x, 384x, 512x, 768x, 1024x Fs 256x~1024x Fs for 32kHz / 44.1kHz / 48kHz 128x~512x Fs for 64kHz / 88.2kHz / 96kHz 64x~256x Fs for 128kHz/176.4kHz/192kHz Supply voltage 3.3V for digital circuit 10V~26V for loudspeaker driver Loudspeaker output power for 24V 10W x 2CH into 8Ω @0.16% THD+N for stereo 15W x 2CH into 8Ω @0.18% THD+N for stereo 20W x 2CH into 8Ω @0.24% THD+N for stereo Sounds processing including: Volume control (+24dB~-103dB, 0.125dB/step) Dynamic range control Power clipping Channel mixing User programmed noise gate with hysteresis window DC-blocking high-pass filter Anti-pop design Short circuit and over-temperature protection I2C control interface Internal PLL LV Under-voltage shutdown and HV Under-voltage detection Power saving mode Dynamic temperature control
Applications TV audio Boom-box, CD and DVD receiver, docking system Powered speaker Wireless audio

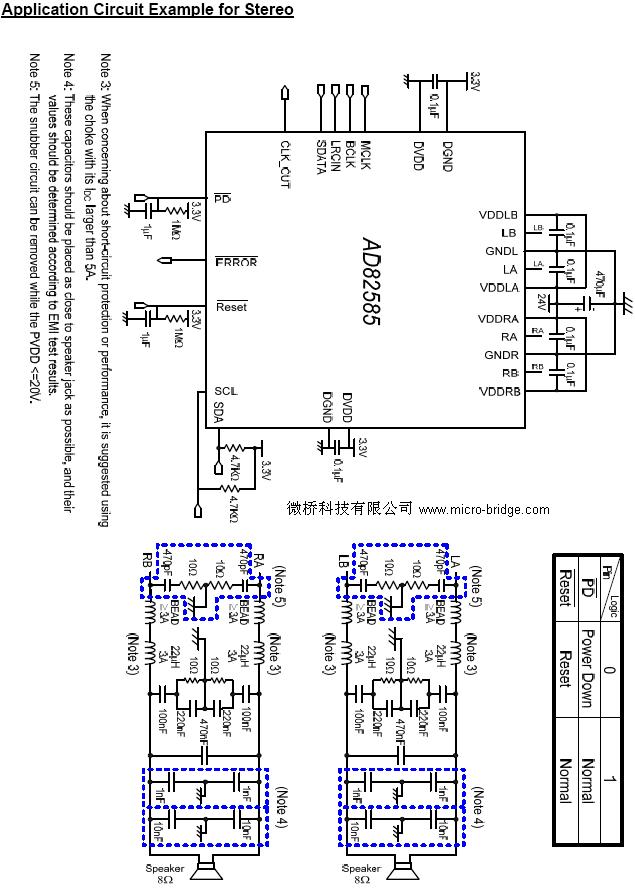
|